物流终端收发控制系统的设计
无需注册登录,支付后按照提示操作即可获取该资料.
物流终端收发控制系统的设计(开题报告,外文翻译,论文11700字)
摘 要
物流终端收发控制系统的核心功能是对快递“最后一公里”发送和接收环节进行的自动化改造。本系统分为发送和接收两部分,发送部分为快递员通过扫描快递信息将快递装柜,接受部分为自助快递收取装置,用户通过输入验证码取得自己的快递。
本论文首先对物流终端收发控制系统的背景、意义和发展状况进行了介绍;接着从总体上对实现本系统的软硬件方案选择进行了论证,其中硬件部分有条码扫描模块、短信发送模块、无线通信模块等,软件部分主要是对主控芯片模块进行编程的系统开发平台的选择;然后详细介绍了软硬件部分功能的具体实现;最后是对本系统整体功能调试的介绍。
关键词:物流终端 无线通信 短信发送 开发平台
Logistics terminal control system for sending and receiving
Abstract
This system function of logistics terminal control system for sending and receiving is automately transformed to express "the last kilometer" link in the sending and receiving. The system is divided into two parts, dispatch and reception. dispatch part of the courier loading by scanning delivery information, accepted part of the self-delivery charge device. the user enter the verification code to get your own courier.
First, the background, significance, status of development are introduced in this paper. Then hardware and software solutions for the choice of the system were demonstrated, including barcode scanning module, SMS module, wireless communication module and software development platform in the system is introduced. And, we introduced realization of software and hardware specific functions. Finally, it is the overall function of debugging.
Key Words: Modern logistics system; Terminal Equipment; Wireless communication; SMS module




目 录
摘 要 I
Abstract II
第一章 绪论 1
1.1 研究背景和意义 1
1.2 研究现状及发展趋势 1
1.3 本论文主要任务 2
第二章 系统总体方案设计 3
2.1 硬件部分方案设计 3
2.1.1 主控芯片 4
2.1.2 无线通信模块 5
2.1.3 短消息发送模块 6
2.1.4 条码扫描模块 6
2.2 软件部分方案设计 7
第三章 硬件设计 8
3.1 主控芯片基本外围电路设计 8
3.3.1 电源电路 8
3.3.2 晶振电路 9
3.3.3 复位电路 9
3.3.4 JTAG接口电路 9
3.2 条码扫描模块设计 10
3.3 无线通信模块设计 11
3.4 短消息发送模块设计 12
3.5 TFT彩屏显示模块设计 12
第四章 软件设计 14
4.1 终端A软件功能模块 15
4.1.1 初始化模块 15
4.1.2 条码扫描功能模块 16
4.1.3 无线通信功能模块 18
4.1.4 短消息功能模块 19
4.2 终端B软件功能模块 21
4.2.1 初始化模块 21
4.2.2 彩屏显示与触摸功能模块 22
第五章 系统调试 25
5.1 分模块调试 25
5.1.1 主控芯片模块 25
5.1.2 短消息模块 26
5.1.3 条码扫描模块 26
5.1.4 彩屏显示与触摸模块 27
5.2 整体功能调试 28
结 语 31
参考文献 32
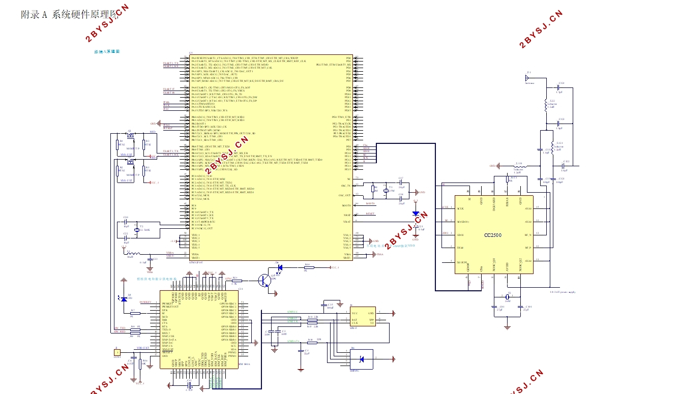
附录A 系统硬件原理图 34
附录B 源代码 36
致 谢 50
