直接数字频率合成法的功能研究(原理图+电路图+程序)☆
无需注册登录,支付后按照提示操作即可获取该资料.
摘 要
信号发生器是一种常用的信号源,广泛应用于电子电路、自动控制和科学试验等领域。本文介绍了基于直接数字频率合成技术(DDS)的正弦信号和方波信号发生器的工作原理、系统结构及软、硬件设计。该信号发生器主要由AVR单片机ATmega8、数/模转换器TLC5620以及一些低通滤波等外围电路构成。系统电路设计简单、频率控制灵活,具有良好的实用性和可扩展性,不仅可以用于正弦波和方波的发生,还可根据存储器中存放的不同波形数据,实现任意波形的输出。
关键词:ATmega8单片机;直接数字频率合成;TLC5620;信号发生器
The Disquisition of Direct Digital Frequency Sythesis, Function
Abstract
Signal generator is a common source of the signal, widely used in electronic circuits、automatic control and scientific experiments in areas such as. In this paper, based on AVR microcontroller ATmega8 and Direct Digital Synthesis technology to build the design of signal generator. Direct Digital Synthesis have a series of advantages, for example, the frequency switching speed、high-frequency resolution、frequency and phase easy to control, etc. Based on DDS technology is a signal generator with the continuous progress of computer technology and microelectronics technology in measuring instruments of the formation and development of a new type of signal source. With output frequency stability 、accurate, waveform output of good quality and wide frequency range and a series of unique advantages. This is a signal generator on an important direction.
According to the principle of Digital Synthesis, ATmega8 use of SCM, D / A converters TLC5620、 Some filtering and amplification, such as the external circuit design a signal generator. The system circuit design simple、frequency control flexibility, has a good practicality and scalability, Not only can be used in the square and sine wave, but also can according to memory and can be stored in the different waveform data to the output of other waveforms.
Key Words:ATmega8 SCM;Direct Digital Synthesis;TLC5620;Signal generator
直接数字频率合成法的算法原理
模拟频率合成法是通过对基准频率认为地进行加、减、乘、除算术运算得到所需的输出频率。随着大规模集成电路的发展及计算机技术的普及,开创了另一种信号合成法,直接数字频率合成法(DDS)。也就是我们今天的主讲内容。该法突破了模拟频率合成法的原理,从“相位”的概念出发进行频率合成。这种合成方法不仅可以给出不同频率的正弦波,而且还可以给出不同初始相位的正弦波,甚至可以给出各种任意波形,这是模拟频率合成法无法实现的。最常用的是正弦波,这里就先讨论正弦波的合成问题。
经过示波器观察可以看到清晰的正弦波和方波波形,通过编写软件程序改变步长K,可以得不同频率的波形,且输出频率随步长K的增大而增大。由于本系统设计采用了集成度很高的串行TLC5620D/A转换器,具有4路模似量输出通道,功能强大;本文的设计是以产生正弦波和方波为例,实际上只要在ATmega8 的Flash程序存储器中存放不同的波形数据,就可以实现各种波形输出,如三角波、锯齿波和矩形波,甚至是任意波形。在通信、雷达、电子对抗、导航、广播电视、遥控遥测、仪器仪表等领域具有广泛的应用前景。






目 录 14000字
摘 要 I
Abstract II
1 绪论 1
1.1 选题的背景 1
1.2 DDS技术的研究现状与发展趋势 2
1.3 课题研究的目的与意义 3
2 直接数字频率合成法的算法原理 4
2.1 直接数字合成基本原理 4
2.2 信号的频率关系 6
2.3 DDS算法介绍 7
2.4 任意波形的产生方法 9
3 系统总体框图设计 11
4 主控芯片ATmega8的介绍 12
4.1 AVR单片机ATmega8总体结构与主要性能 12
4.2 ATmega8的封装与引脚功能介绍 13
4.3 ATmega8单片机存储器组织 14
5 D/A转换模块 16
5.1 TLC5620 D/A芯片介绍 16
5.1.1 TLC5620引脚排列及功能 16
5.1.2 TLC5620内部功能框图 17
5.1.3 TLC5620工作原理 18
5.2 TLC5620与ATmega8连接 19
5.2.1 硬件设计如图5.4所示: 19
5.2.2 软件实现 20
6 LED显示模块 22
6.1 LED数码显示器的结构与显示段码 22
6.2 74LS164芯片的工作原理 23
6.3 LED与ATmega8连接电路 24
6.3.1 硬件设计如图6.3所示 24
6.3.2 软件实现 24
7 低通滤波电路 27
8 软件流程图及系统总程序 28
8.1 系统软件流程 28
8.2 系统总程序 28
结 论 34
参 考 文 献 35
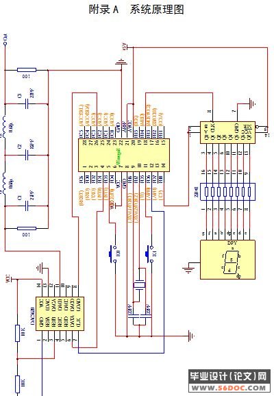
附录A 系统原理图 36
致 谢 37
参 考 文 献
[1] 李友平.直接数字频率合成器(DDS)的原理与设计[J].电声技术,1992,(11).
[2] 马潮,詹卫前,耿德根. ATmega8原理及应用手册. 北京:清华大学出版社,2003
[3] 孙焕根,陈子饶,朱仙寿,等.电子测量与智能仪器.杭州:浙江大学出版社,1992,41-42
[4] 王凤臣,李庆瑞,乔卫民,等.基于DDS的波形发生器在HIRFL-CSR电源控制系统中的应用[J].微计算机信息,2006,7:3-5
[5] The Design of DDS Signal Generator Based on ATmega8, 2007
[6] 贾少华.基于USB的高速数据采集和信号发生模块的研究与设计[D].四川:电子科技大学,2004
[7]唐智,周荫清,李景.基于AD9850的逐赫兹可调信号发生器的设计[J].遥测遥控,2003,24(1):34-37
[8] Nicholas HT.The optimisation ofdirect digitalfrequency synthesizer performance in thepresence of finite word length effects[J].Proc.42nd Annu.Frequency Cont Symp USER-ACOM,1988,(5)5:357.
[9] 万天才.频率合成器技术发展动态[J].微电子学,2004.34(4):366-370.
[10] A Technical Tutorial on Digital Signal Synthesis, Analog Device Inc, 1999.
[11] 耿德根,宋建国,马潮,叶勇建.AVR高速嵌入式单片机原理与应用.北京航空航天大学出版社.
[12] 黄爱蓉.高性能DDS信号产生器的设计研究.传感器与仪器仪表,2005,21(8):153-156
[13] 张富贵,姚振东.基于DDS的高性能信号发生器的实现.成都信息工程学院学报,2006,
21(1): 12-17
[14] 郑戍华.基于DDS的信号源研制: [硕士学位论文].北京北京理工大学,2003
[15] Altera Corporation.Altera Digital Library 2002.
[16] 栗宝宽,方蕾,冯永浩.基于的信号发生器的设计与实现.电子工程师,2005,31(10):38-39
[17] 胡仁杰高分辨率任意波形发生器的实现.东南大学学报(自然科学版),2002,32(4): 576-580
[18] 严石.基于DDS的高精度大功率调频源设计.淮阳师范学院学报(自然科学版),2005, 4(4): 296-298
[19] 周鹏,田书林,刘科.直接数字式频率合成信号的滤波处理.测控技术,2004,23(9):14-16
[20] 张连江.理想直接数字频率合成器(DDS)原理.舰船电子对抗,1998,3(3):31-34
[21] 高泽溪,高成.直接数字频率合成器(DDS)及其性能分析.北京航空航天大学学报,1998,24,(15):615-618
[22] 董军刚,蔡振江,王福顺等. 基于DDS技术的智能信号发生器的设计. 河北农业大学机电工程学院,2006,2,(15):615-618
