双坐标步进电机控制系统的设计(论文)
无需注册登录,支付后按照提示操作即可获取该资料.
摘 要:介绍了一种采用89C系列单片机设计的双坐标步进电机控制系统,给出了控制系统的总体设计方案,详细论述了控制系统的硬件结构原理和软件设计思想.该系统对不同型号的电机进行控制时,不需要改变硬件电路,只需通过修改软件,就能实现多种控制功能
关键词:双坐标;步进电机;单片机;控制
引言
步进电机是一种将电脉冲转化为角位移的执行机构。通俗一点讲:当步进驱动器接收到一个脉冲信号,它就驱动步进电机按设定的方向转动一个固定的角度(及步进角)。您可以通过控制脉冲个数来控制角位移量,从而达到准确定位的目的;同时您可以通过控制脉冲频率来控制电机转动的速度和加速度,从而达到调速的目的。
双坐标步进电机控制,就是在X轴方向控制一台步进电机,在Y轴方向控制一台步进电机。这两台步进电机同时驱动同一个对象,使对象在一个平面上一任意曲线运动。有时为了方便起见,也称为二维步进电机控制。双坐标或二维步进电机控制在线切割机,摄像监视器,灯光控制场合都有大量应用。
在这一节中介绍用工业控制计算机和单片机控制的双坐标步进电机工作系统。这个系统是由工业控制计算机发出控制命令,通过与单片机通信,按命令单片机产生控制步进电机运转的脉冲信号。按照发出的不同的控制命令,使双坐标步进电机分别做正转、反转、快转、慢转和停止等动作,还可自成系统自动运行。系统由于采用 89C系列单片机,电路简单可靠,结构紧凑。对于不同型号的步进电机的控制,不需改变硬件电路,通过修改软件,即能实现多种控制,灵活方便,通用性强,成本低,因此具有广泛的应用前景。





毕业设计说明书目录 15000字
1 引言……………………………………………………………………………………1
2 方案论证………………………………………………………………………………1
2.1方案一:………………………………………………………………………1
2.2方案二:………………………………………………………………………2
3 各电路设计和论证……………………………………………………………………3
3.1电源电路设计和论证…………………………………………………………3
3.2 控制电路设计和论证……………………………………………………… 5
3.3 驱动电路设计和论证……………………………………………………… 9
3.3.1方案一采用多个放大器件驱动电机…………………………………… 9
3.3.2方案二、使用L289N芯片驱动电机……………………………………10
3. 4 隔离、抗干扰电路 ……………………………………………………… 10
3.5 步进电机电路设计和论证 …………………………………………………11
3. 5. 1 步进电机选型 ………………………………………………………… 11
3. 5. 2 步进电机与单片机的连接电路 ……………………………………… 11
3.5.3四相八拍步进电机的控制……………………………………………… 11
3. 5. 4步进电机控制物体运动原理…………………………………………… 13
4. 软件设计 ……………………………………………………………………………14
4.1程序流程………………………………………………………………………14
4.1.1系统主程序流程图 ………………………………………………………16
4.1.2各子程序流程图 …………………………………………………………16
4.2程序……………………………………………………………………………18
4.2.1主程序 ……………………………………………………………………18
4.2.2 各子程序 …………………………………………………………………20
5.软硬件系统的调试 …………………………………………………………………21
5. 1硬件调试 ……………………………………………………………………21
5. 2 软件调试 ……………………………………………………………………21
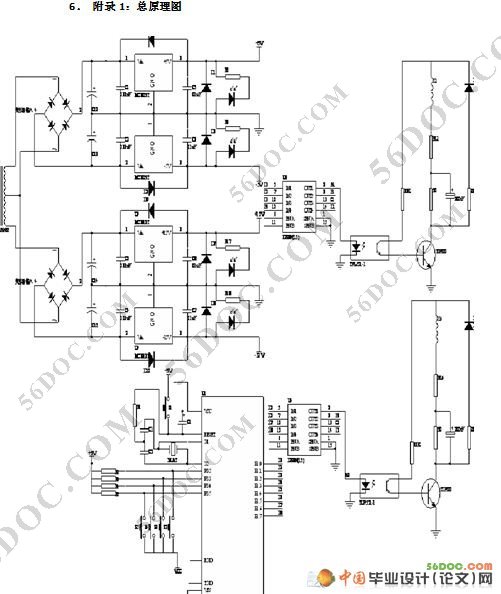
6. 附录 …………………………………………………………………………………24
7.参考文献 ……………………………………………………………………………26
