八路数字抢答器的设计(数字电路)
无需注册登录,支付后按照提示操作即可获取该资料.
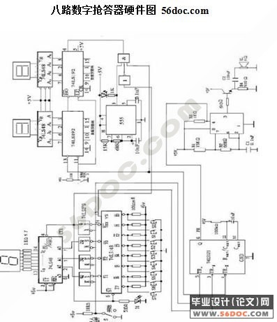
摘 要:数字抢答器由主体电路与扩展电路组成。优先编码电路、锁存器、译码电路将参赛队的输入信号在显示器上输出;用控制电路和主持人开关启动报警电路,以上两部分组成主体电路。通过定时电路和译码电路将秒脉冲产生的信号在显示器上输出实现计时功能,构成扩展电路。经过布线、焊接、调试等工作后数字抢答器成形。
关键字:抢答电路 定时电路 报警电路 时序控制
Summary:The figure vies for the answering device by the subject circuit and expands the circuit to make up. Have priority in code circuit, latch, decipher circuit and export the input signal of the entrant team on the display; starting the warning circuit with the control circuit and host's switch, two the above-mentioned parts make up the subject circuit. Through timing circuit and decipher second signal function while outputs and realizes counting on the displaying that pulse produce circuit, form and expand the circuit. Through connect up, weld, debug figure vie for answering device take shape after the work.
Key word: vie for answering; circuit; Timing circuit; warning circuit; sequence controlling
本课题的设计任务从功能上分, 主要包括以下两个部分:
(1)基本功能
可同时8名选手参加比赛,他们的编号分别是1,2,3,4,5,6,7,8,
各用一个抢答按钮,按钮的编号与选手的编号相对应,分别是S1,S2,S3,S4,S5,S6,S7,S8。
A、节目主持人设置一个控制开关,用来控制系统的清零和抢答的开始。
B、数字抢答器应具有数码锁存、显示功能。抢答开始后,若有选手按动抢答
按钮,编号立即锁存,并在LED数码管上显示选手的编号,同时扬声器给出音响提示。此外,要封锁输入电路,禁止其他选手抢答。优先抢答选手的编号一直保持到主持人将系统清零为止。
(2)扩展功能
A、定时抢答功能。抢答器定时为30 s,启动起始键后,定时器开始工作,立即减计,并在显示器上显示出来,同时扬声器要短暂报警。
B、参赛选手在设定的时间内抢答(30s),抢答用效,定时器停止工作,显示器上显示选手的编号和抢倕时刻的时间,并保持到主持人将系统清零为止。
C、 当定时抢答的时间已到,还没有选手抢答进,本次抢答无效,系统短暂报警,并封锁输入电路,禁止选手超时后抢答,时间显示器上显示00。
采用数字电路
定时抢答器的总体框图如图所示,它由主体电路和扩展电路两部分组成。主体电路完成基本的抢答功能,即开始抢答后,当选手按动抢答键时,能显示选手的编号,同时能封锁输入电路,禁止其他选手抢答。扩展电路完成定时抢答的功能。




目录 10000字
1 引言 15
2 设计任务与要求 16
3 设计方案论证 16
4 单元电路 19
5 实验调试 31
