智能电风扇控制系统设计
无需注册登录,支付后按照提示操作即可获取该资料.
智能电风扇控制系统设计(论文20000字)
摘 要
随着当今世界科学技术与控制技术的快速发展,人们越来越注重个人的生活质量,智能家居开始受到越来越多的人的喜爱。其中电风扇作为人们的最基本的家用电器也应该步入智能家居的行列。
本次设计主要是针对传统式电风扇控制系统进行智能化改造。本次研究主要围绕元器件选型、硬件电路设计、软件程序设计以及系统测试及完成这四部分进行工作的。该系统选用了单片机STC89C52作为此次智能化改造的核心器件,可以根据DS18B20检测出来的温度自动调节风速的大小,能够通过红外遥控器进行远程遥控,实现电风扇的开启、关闭以及调速。同时,在该系统中添加了LCD1602液晶显示模块和LED指示灯显示模块,显示实时的环境温度和风速档位信息。在本次系统设计中,对于风扇的转速的控制主要通过改变PWM的占空比实现的。经过实践,该系统能够正常运转,其具有体积小、智能化等特点。
关键字:单片机;温度控制;智能化;远程遥控风扇
Design of Intelligent Fan Control System
Abstract
With the rapid development of science and technology, people prefer to have a higher quality of life, and then smart home has gradually entered thousands of households. Among them, electric fans, as the most basic household appliances, should also enter the ranks of smart home.
This design is mainly about the intelligent fan control system design. This research mainly focuses on the four parts of component selection, hardware circuit design, software program design and system testing. The system selects the single-chip STC89C52 as the core device of this intelligent transformation. It can automatically adjust the wind speed according to the temperature detected by the DS18B20. It can remotely control the electric fan through the infrared remote control to realize the opening, closing and speed regulation of the electric fan. At the same time, the LCD1602 liquid crystal display module and LED indicator display module are added to the system to display real-time ambient temperature and wind speed gear position information. In this system design, the control of the fan speed is mainly achieved by changing the duty cycle of the PWM. Through practice, the system can operate normally, and it has the characteristics of small size and intelligence.
Keywords: Single-chip; Temperature control; Intellectualization; Remote control electric fans



目录
摘 要 I
Abstract II
第一章 绪论 1
1.1 研究的背景和意义 1
1.2 研究现状 2
1.2.1 多功能智能语音电风扇 2
1.2.2 车载智能风扇系统 2
1.2.3 基于STM32的无叶风扇控制器设计 2
1.3 论文的主要内容和结构安排 3
1.4 本章小结 4
第二章 总体方案设计 5
2.1 系统主要功能 5
2.2 系统各功能模块介绍 5
2.2.1 单片机主控制器模块 5
2.2.2 温度检测模块 6
2.2.3 液晶显示模块 7
2.2.4 红外遥控模块 8
2.2.5 LED指示灯模块 8
2.2.6 直流风扇模块 9
2.2.7 按键模块 9
2.3 本章小结 9
第三章 硬件电路设计 10
3.1 硬件电路的总体设计 10
3.2 各模块硬件电路设计 11
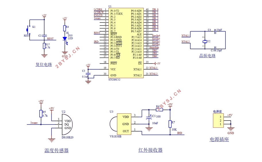
3.2.1 STC89C52单片机 11
3.2.2 DS18B20温度传感器电路 14
3.2.3 独立按键电路 17
3.2.4 1602液晶显示电路 18
3.2.5 指示灯显示电路 20
3.2.6 5V直流电风扇接口电路 21
3.2.7 红外遥控接收器模块 21
3.2.8 红外遥控发射器模块 22
3.3 本章小结 23
第四章 软件程序设计 25
4.1 系统流程图 25
4.2 软件程序整体设计 26
4.3 各软件程序子流程流程介绍 27
4.3.1 DS18B20温度采集程序 27
4.3.2 1602液晶显示程序 30
4.3.3 LED灯指示程序 31
4.3.4 红外键值解码程序 31
4.3.5 独立按键扫描程序 32
4.3.6 5V直流风扇调速程序 33
4.4 本章小结 33
第五章 智能风扇系统成果展示 34
5.1 软件介绍 34
5.2 成品展示 34
5.2.1 元件清单 34
5.2.2 成品展示 35
5.3 本章小结 44
第六章 总结与展望 45
参考文献 47
致 谢 49
附录一 硬件原理图 50
附录二 软件程序源代码 52
