PLC控制的气动移载机的设计
无需注册登录,支付后按照提示操作即可获取该资料.
摘要:可编程控制器(PLC)采用易学易懂的梯形图语言,有着控制灵活方便、抗干扰能力强、运行稳定可靠等特点,采用PLC可提高加工效率,减轻工人劳动强度。(优秀毕业设计网 www.2bysj.cn)
移载机的核心从本质上来说就是机械手,移载机整体的控制实际上就是机械手抓举的过程。
关键词:气动、自动控制、PLC,触摸屏
引言
随着科学技术的日益发展,现代企业对物资的需求,对产品工序的控制,对成品的输出管理也与时俱进,传统的以人力搬运工件的场景已经越来越不适应企业的发展,也将企业拖向低效率、高支出的窘境。如何才能有效的提高物资流向、加工速度,有效的提高产品流向的准确性,缩短产品加工周期、加工时间已经成为许多企业追求的生产方式。移载机的出现使这个追求最终实现,因其具备的优点能够满足企业当今生产的要求在我国得到广大应用。
另一方面它也是生产力发展的需求的必然结果,也是人类自身发展的必然结果,那么人类的发展随着人们逐渐的这种社会发展的情况,人们越来越不断探讨自然过程中,在改造自然过程中,认识自然过程中,来需求能够解放人的一种奴隶。那么这种奴隶就是代替人们去能够从事复杂和繁重的体力劳动,实现人们对不可达世界的认识和改造,这也是人们在科技发展过程中的一个客观需要。但另一方面,尽管人们有各种各样的好的想法,但是它也归功于电子技术,计算机技术以及制造技术等相关技术的发展而产生了提供了强大的技术保证。
气动移载机在设计时采用了PLC控制,相对原先的继电器控制电路来说PLC控制的设备在控制灵活方面有着很大的优势,通过程序,可以达到不换硬件改变控制要求的功能。PLC的可靠性也是有目共睹的,利用PLC设计的系统减少了误动作发生的概率。通过对比PLC设计的系统和传统继电器设计的系统,很容易就能发现前者的体积大大低于后者,节约了大量的经费。完善的人机界面提供给操作者简易的操作方式,易学的编程语言提供给设计者能在更短的时间内设计出一套系统,以此带来的经济效益是无穷的。
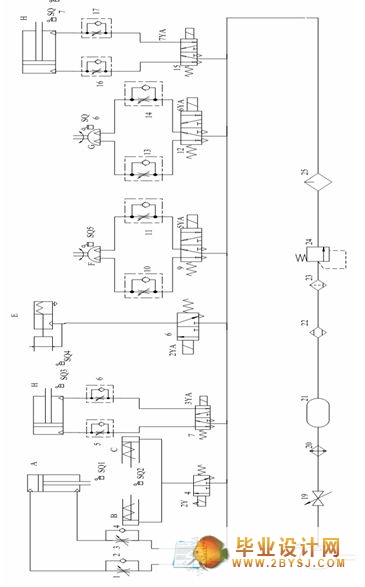
移载机在自动化生产线上具有广泛的用途,它可以用来搬运货物、运送材料、传送工件等。本文主要介绍PLC在气缸生产线组装单元机械手中的应用。该移载机由PLC控制气缸驱动,其任务是把组成气缸的各元件,如缸体、活塞、弹簧、缸盖分别送到组装工位,经组装后再把成品送到分检工位分检。该生产线原采用5个自由度、气动控制来完成此工作。但该气动控制复杂、价钱便宜、运行速度较慢。改用由PLC控制的气动移载机来代替,经试验满足生产线对该部件的要求,并且控制方便、结构简单、价格便宜、可靠性高。
该生产线组装单元移载机气动系统分别由三位五通电磁阀、二位五通电磁阀和二位三通电磁阀控制气缸动作。各种运动速度都可调节。摆动气缸摆动角度为270°,有六个工作位置。摆动气缸转动时,制动气缸松开,解除制动。其它气缸动作时,制动气缸处于制动状态,保证在工作过程中定位准确。
除了满足工件移载的需要,并能极大的保障产品的质量和操作人员的安全和健康。简化了触摸屏和PLC的特点,并从系统的构成和功能方面介绍了触摸屏与PLC组成,但我们此次的设计主要是围绕了PLC控制的气动部分来设计的,着重讲述了触摸屏画面的设计流程,以触摸屏作为人机界面,系统界面友好,简单直观,易于操作。




目录
1 引言………………………………………………………………………20
2 气动部分…………………………………………………………………21
2.1气动系统的基本构成……………………………………………21
2.2气动移载机中气动回路原理图…………………………………26
2. 3 气动移载机中的基本气动回路…………………………………27
2.4 气动移载机中的气动元件汇总…………………………………35
3 PLC控制部分……………………………………………………………37
3.1 PLC的I/O分配表………………………………………………37
3.1.1 PLC的输入端分配表……………………………………38
3.1.2 PLC出端分配表…………………………………………40
3.2 PLC选型及接线图………………………………………………41
3.2.1 PLC接线图………………………………………………41
3.2.2 PLC控制电路接线图……………………………………42
3. 3 气动移载机PLC控制程序………………………………………43
3.3.1主程序流程图………………………………………………43
3.3.2 PLC梯形图部分……………………………………………45
4人机界面部分……………………………………………………………53
(优秀毕业设计网 www.2bysj.cn)
5 结束语……………………………………………………………………59
毕业设计材料目录
1. 毕业实践任务书--------------------------------------------------------------- -----------------------1
2. 外文翻译------------------------------------------------------------------------------------------------2
3. 毕业实践调研报告-----------------------------------------------------------------------------------15
4. 毕业设计说明书--------------------------------------------------------------------------------------19
5. 毕业设计总结----------------------------------------------------------------------------------------60
6. 参考文献------------------------------------------------------------------------------------------------62
参 考 文 献
1.廖常初 主编. PLC基础及应用. 北京:机械工业出版社,2003.6
2.左健民 主编. 液压与气压传动. 北京:机械工业出版社,1999.5
3. 丁树摸 主编. 机械工程学.第3版. 北京:机械工业出版社,2003.1
4. 严盈富 编著. 触摸屏与PLC入门. 北京:人民邮电出版社,2006.11
5. 罗宇航 主编. 流行PLC实用程序及设计(三菱FX2系列). 西安:西安电
子科技大学出版社.2006.12
6. 周万珍,高鸿斌. PLC分析与设计应用. 北京:电子工业出版社,2004
7. 宋学义,袖珍液压、气动手册. 北京:机械工业出版社,1995
8. 孟繁华,李天贵. 气动技术在自动化中的应用.北京:机械工业出版社,198
