基于PLC的交通信号灯控制研究与设计(附程序)☆
无需注册登录,支付后按照提示操作即可获取该资料.
摘 要:目前,我国许多大中城市的交通压力都非常大。部分交通路口的信号灯工作时间不合理,交通违章或肇事记录不确切。所以,改善与提高现有的交通系统的工作效率,加强交通路口的信号灯控制是非常重要的。
本系统主要设计利用PLC来实现十字路口交通灯的控制。达到调节流量,使交通保持顺畅的目的。它弥补了现行交通灯的不足,而且克服了在同一时刻机动车辆和非机动车辆之间的交叉通行的缺点,避免了交通事故,保证了在任一时刻只有一个方向为绿灯,可供车辆通行,使交通更为安全可靠,可避免交通事故的产生。另外特种车辆,如:消防车、救护车、警车、工程抢险车等,在紧急情况之下必须强行通过十字路口时,启用急车强通方式而不至于引起交通事故。程序的设计中,分析控制交通的多种原理,用传统的方法实现难度较大,使用可编程控制器,用步进操作指令简化设计程序,使程序具有良好的可读性、可维护性和可移植性,简单明了,可靠性极高。
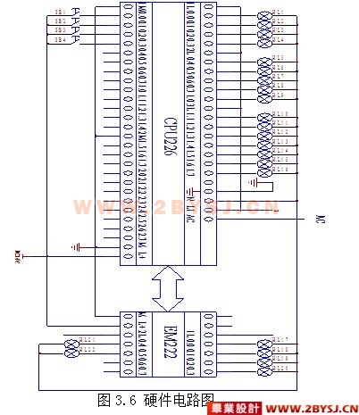
本系统采用德国西门子的S7-200系列的CPU226做主机,配以扩展模块EM222。设计中采用S7-200编程软件STEP 7 - Micro/WIN3.2进行编程。采用顺序功能图与梯形图相结合的方法设计程序。实现对城市十字路口的合理控制。
关键词:PLC控制系统;梯形图;交通灯
Base on the PLC’s research and design of controlling the traffic light
Abstract: At present, traffic pressure in many large and medium-sized cities in China is very great. Some traffic lights’s working hours is unreasonable, violation and records of the incident is inaccurate too. Therefore, to improve and enhance the existing transport system's efficiency and strengthen the control of traffic lights and monitoring the security situation is very important.
Design using the design of the main PLC to achieve the control of traffic lights at a crossroads. To achieve regulation of the flow, so that the purpose of smooth traffic. It made up for the inadequacy of the existing traffic lights and at the same time overcome the motor vehicle and non-motor vehicle access between the shortcomings of the cross, to avoid traffic accidents, ensure that at any one time in only one direction for the green light for vehicles, so that more safe and reliable transport to prevent the emergence of a traffic accident. Other special vehicles, such as: fire engines, ambulances, police vehicles, emergency vehicles and other works, in an emergency situation must be forced through the crossroads, the opening of the emergency vehicles pass strong manner without causing a traffic accident. Process design, analysis of a wide range of traffic control principles, to achieve with traditional methods difficult, the use of programmable controllers, stepping operation instruction by simplifying the design process, so that the procedure has good readability, maintainability and portability, simplicity, reliability, very high.
The system uses the Siemens S7-200 series, so the host CPU226 to make the main engine, matches expands module EM222. In the design uses S7-200 programming software STEP 7 - Micro/WIN3.2 to carry on the programming. Uses methods design procedure which the smooth functional diagram and the trapezoidal chart unify. Realizes to the city intersection reasonable control .
Keywords: PLC controlling system;Trapezoidal diagram;Traffic Light
交通灯的控制过程
信号灯受启动及停止按钮的控制,当按下启动按钮时,信号灯系统开始工作,并周而复始地循环工作,当按下停止按钮时,系统将停止在初始状态,所有信号灯都熄灭。
交通灯示意图如图3.2所示,在东西南北两个方向均安装信号灯,两个方向各6个灯,分为三个方向红、黄、绿三种颜色。
控制要求:
南北主干道 左转绿 10S 直行绿 30S 绿闪3S 黄2S 红 45S 右行红10S 绿 78S
东西人行道 绿 27S 绿闪3S 红60S
东西主干道 红 45S右行红10S 绿 78S左转绿 10S 直行绿 30S 绿闪3S 黄2S
南北人行道 红60S 绿27S 绿闪3S
正常循环控制方式
交通灯变化顺序表(单循环周期90秒)
(1)南北向(列)和东西向(行)主干道均设有左行绿灯10S,直行绿灯30S,绿灯闪亮3S,黄灯2S和红灯45S。当南北主干道红灯点亮时,东西主干道应依次点亮左行绿灯,直行绿灯,绿灯闪亮和黄灯;反之,当东西主干道红灯点亮时,南北主干道依次点亮左行绿灯,直行绿灯,绿灯闪亮和黄灯。
(2)南北向和东西向人行道均设有通行绿灯和禁行红灯。南北人行道通行绿灯应在南北向主干道直行绿灯点亮3S后才允许点亮,然后接3S绿闪,其他时间为红灯;同样,东西人行道通行绿灯于东西向主干道直行绿灯点亮3S后才允许点亮,然后接3S绿闪,其它时间为红灯。
急车强通控制方式
(1)急车强通信号受急车强通开关控制。无急车时,按正常循环时序控制,有急车来时,将急车强通开关接通,不管原来信号状态如何,一律强制让急车来车方向的绿灯亮,直到急车通过为止,将急车强通开关断开,信号的状态立即转为急车放行方向的绿灯闪亮3次。随后按正常时序控制。
(2)急车强通信号只能响应一路方向的来车,若两个方向先后来急车,则响应先来的一方,随后再响应另一方。
系统控制过程
系统由传感器、输入接口电路、PLC、信号灯、电源等组成。以下面一个十字路口为例 (传感器及红绿灯控制端口设置见表一) , 该路口控制为普通采用的方式,依次放行顺序南、东、西、北。按绿灯指示方向行驶(向左、直行和向右) , 人行道在南面车辆放行时,东面人行道放行,依此类推,顺序为东、北、南、西,绿灯的放行时间初始设定值为 30秒,时间结束后绿灯闪三次(1秒一次),黄灯亮2秒,黄灯灭,红灯亮,三秒后黄灯灭,红灯亮。每个方向循环一次90秒 。人行道只有绿灯和红灯,由放行车道的绿、红灯并联控制,绿灯结束后,绿灯闪烁三秒后常亮。



目 录
第1章 绪论 1
1.1交通灯发展现状 1
1.2交通灯监控系统的设计意义 1
1.3 PLC的产生与发展 2
1.4 S7-200系列可编程序控制器 2
1.5 PLC控制设计内容及任务 3
第2章 交通灯系统总体方案论证 4
2.1单片机系统控制 4
2.2可编程序控制器控制 4
2.3继电器接触控制 4
2.4控制方案的确定 5
第3章 系统硬件设计 7
3.1系统的组成框图 7
3.2交通灯的控制过程 7
3.3 PLC的选型 8
3.4扩展模块的选择 11
3.4.1 扩展模块的选择 11
3.4.2 EM222的端子连线图 11
3.4.3 扩展模块与主机的连接形式 11
3.4.4 I/O分配 11
3.4.5 PLC主机与扩展模块以及交通灯的硬件连接图 13
第4章 系统软件设计 14
4.1系统控制过程 14
4.2流程图 14
4.2.1 交通灯正常循环运行逻辑流程图 14
4.2.2 急车强通控制的逻辑流程图 16
4.3交通灯工作时序图 17
4.4梯形图 18
4.5操作流程及运行结果 26
4.5.1 操作流程 26
4.5.2 运行结果 30
第5章 总结与展望 33
5.1 总结 33
5.2 展望 33
毕业设计体会 34
致谢 35
参考文献 36
英文翻译资料 37
