连接板冲裁模的设计与制造(附答辩记录)
无需注册登录,支付后按照提示操作即可获取该资料.
摘 要
我的毕业设计是冲孔落料复合模的设计,冲压模具主要是将板料分离或成形而得到制件的加工方法。因为模具的生产主要是单件的生产,而且模具可以保证冲压产品的尺寸精度和产品质量,模具的设计与制造主要考虑到模具的设计能否满足工件的工艺性设计,能否加工出合格的零件,以及后来的维修和存放是否合理等。在本次设计的连接板中,不仅要考虑要使做出的零件能满足工作要求,还要保证它的使用寿命。
其次设计中还要考虑到它的实际工作环境和必须完成的设计任务,模架采用后侧导柱模架,这样可以采用线切割等数控设备来一次完成全部的工序加工,在设计中我要考虑到很多关于我所设计模具的知识,包括它的使用场合、外观要求等,从这里可以知道模具设计是一项很复杂的工作,所以在设计要不断的改进直到符合要求。
本次设计的主要内容:工件的工艺性分析;冲压工艺方案的确定;模具的技术要求及材料选用;主要设计尺寸的计算;工作部分尺寸计算;模具的总体设计;主要零部件的结构设计;模具的总装图;模具的装配等。
我觉得通过本次的毕业设计,达到了这样的目的:
1.综合运用本专业所学课程的理论和生产实际知识,进行一次冷冲压模具(落料冲孔冲裁模)设计工作的实际训练,从而培养和提高我们独立工作的能力。
2.巩固与扩充所学有关冷冲模具设计课程的内容,掌握冷冲压模具设计的方法和步骤。
3.掌握冷冲压模具设计的基本技能,如计算、绘图、查阅设计资料和手册,熟悉标准和规范等。
设计要求:
1. 按要求确定冲压工艺方案;
2. 设计合理的模具结构;
3. 合理的选用模具材料和压力机;
4. 具有分析解决冲压工艺中质量问题的能力;
5. 内容上注重理论与实践相结合;
6. 在模具的设计、计算中要有自己的独特方法;
7. 设计要全方位地表达模具的工作情况;
8. 以这次毕业设计要加深对实践问题的理解;
9. 取材要广泛,内容要丰富,讲述要详细,实用价值要高;
10. 模具的设计要有效地体现出“以应用为目的”的特色,内容要精练,针对性、实用性要强。
关键词:连接板,落料,冲孔,复合模 





目 录
1 零件的工艺性分析 1
2 冲裁工艺方案的确定 3
2.1 冲裁工序的组合 3
2.2 冲裁顺序的安排 3
2.3 讨论并确定工艺方案 4
3 主要的设计计算 5
3.1 排样方式的计算及确定 5
3.2 冲压力的计算 7
3.3 模具压力中心的确定 9
(优秀毕业设计:www.2bysj.cn)
3.4 工作零件刃口尺寸及公差的计算 10
3.5 卸料橡胶的设计 13
4 模具总体的设计 15
4.1 模具类型的选择 15
4.2 条料定位方式的选择 15
4.3 卸料、出件方式的选择 15
4.4 导向方式的选择 16
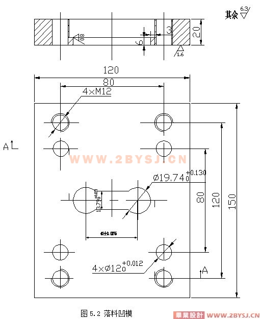
5 主要零部件的设计 17
5.1 工作零件的结构设计 17
5.2 模架及其他零部件的设计 19
5.3 压力机的选用 20
6 模具总装 22
7 模具零件的加工工艺 24
8 模具的装配 25
9 冲裁模具的试冲 26
致 谢 28
参考文献 29
