外齿轮夹具设计(含SolidWorks三维图)
无需注册登录,支付后按照提示操作即可获取该资料.
外齿轮夹具设计(含SolidWorks三维图)(任务书,开题报告,论文说明书11900字,SolidWorks三维图)
摘要
本文中主要对磨床加工齿轮的夹具进行设计和研究,根据夹具设计提出“满足夹具要求下,提高夹具通用性”的要求,并根据这一思路,设计外齿轮夹具。
首先对夹具所需夹紧的工件,进行了详细的分析和研究,工件为大型齿轮,结构简单但体积较大,明确了齿轮加工的要求;并且根据加工工件的要求,对夹具进行总体方案的设计,确定了夹具的定位方案和夹紧机构并进行一系列的计算和分析,主要计算为夹具定位误差分析,确保夹具的装夹稳定性。随后,根据夹具的运动方式,进行动力源机构的设计,主要是采取的液压设计;为了使夹具能够适用于不同尺寸齿轮,具备良好的通用性,对夹具的结构进行了可拆卸装置的设计;在此次设计中,主要完成夹具的总体设计并且绘制完成夹具装配图和部分零件,同时使用三维软件画出各个零件并装配成夹具机构。
关键词:定位精度 装夹稳定性 组合夹具
Abstract
In this paper, the design and research of the fixtures for grinding machine processing gears are carried out. According to the fixture design, the requirements for “enhancing the versatility of the fixtures under the requirements of fixtures” are put forward. According to this idea, external gear fixtures are designed.
Firstly, the clamped workpieces are analyzed and studied in detail. The workpieces are large gears, the structure is simple but the volume is large, and the requirements for gear machining are clearly defined; and according to the requirements of the workpieces, the overall plan of the fixture is performed. Design, determine the fixture positioning scheme and clamping mechanism and perform a series of calculations and analysis, the main calculation is the fixture positioning error analysis to ensure the clamping fixture stability. Subsequently, according to the movement of the fixture, the design of the power source mechanism is mainly adopted by the hydraulic design. In order to make the fixture suitable for gears of different sizes, it has good versatility, and the structure of the fixture is designed with a detachable device. In this design, the overall design of the fixture is mainly completed and the fixture assembly drawing and some parts are drawn. At the same time, each part is drawn using the three-dimensional software and assembled into a fixture mechanism.
Keywords: positioning accuracy clamp stability combination fixture





目录
第一章 绪论 1
1.1 机床夹具的概述 1
1.1.1 机床夹具的发展状况 1
1.1.2 现代机床夹具的发展方向 1
1.1.3 国外夹具发展状况 2
1.2 夹具设计基本步骤 2
1.2.1 研究原始材料、分析设计任务 2
1.2.2 确定夹具的结构方案 2
1.2.3 绘制夹具总图 3
第二章 零件的分析 4
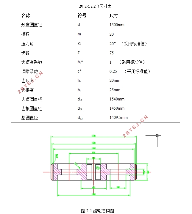
2.1加工零件结构分析 4
2.1.1 零件的形状 4
2.2工件的加工工艺分析 5
2.2.1毛坯的选择 5
2.2.2 齿轮加工工序 5
2.2.2加工设备型号及参数 5
第三章 夹具设计 7
3.1设计要求 7
3.1.1定位元件的选用及误差分析 7
3.1.2确定工件的夹紧方案 8
3.2夹紧力的基本原则 9
3.2.1夹紧力方向 9
3.2.2夹紧力的作用点 10
3.2.3夹紧力的大小 10
3.3设计夹紧装置 11
3.3.1夹紧装置结构设计 11
3.3.2夹紧动力装置设计 11
3.4夹具体的设计 12
3.4.1夹具体设计的基本要求 12
3.4.2夹具体的结构设计 12
3.4.3夹具体的加工 12
第四章 液压系统的设计及计算 14
4.1.设计要求 14
4.1.1执行元件类型的确定 14
4.1.2液压缸的确定 15
4.1.3回路的选择 15
4.1.4溢流阀的选型 15
4.1.5电磁换向阀的选型 15
4.2组成液压系统 16
4.2.1液压系统原理图 16
第五章 夹具的通用性 17
5.1通用夹具设计 17
5.1.1通用可调夹具的组成及特点 17
5.1.2通用可调夹具的设计要求 17
5.2夹具的基本构件 17
5.2.1基本部分 17
5.2.2可更换调整部分 19
5.3夹具的组装 19
5.3.1夹具组装原则 19
5.3.2拟定组装方案 20
5.3.3试装过程 20
5.3.4连接、调整和固定各元件 20
5.3.5检验过程 20
5.4夹具设计的工作方式 21
5.4.1 工作方式 21
5.4.2 经济性分析 21
总结 23
展望 23
参考文献 24
致谢 26
